应用实例:
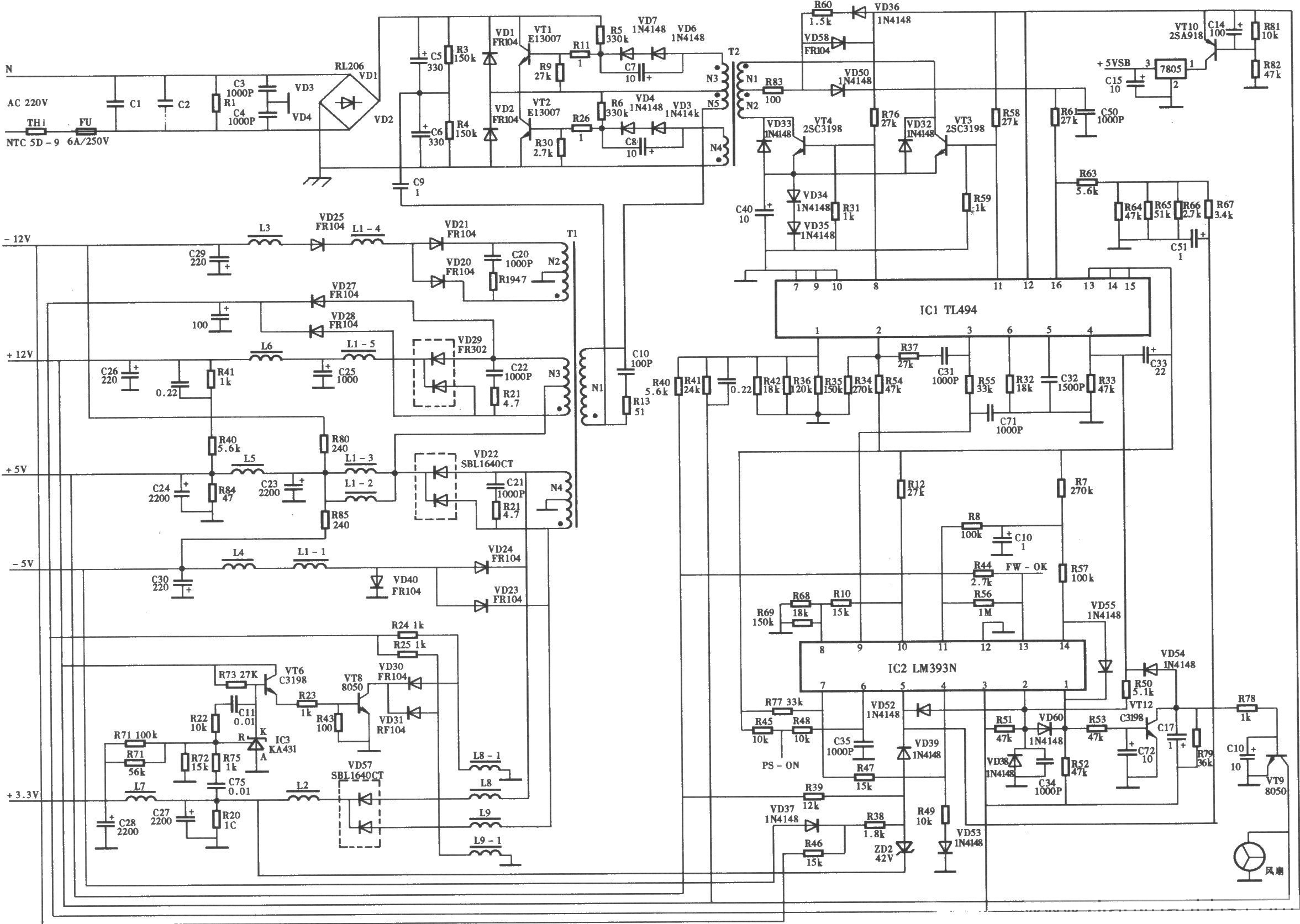
典型应用电路:
地址:广东省深圳市龙华区民塘路328号鸿荣源北站中心B座13楼
邮箱:info@mddchenda.com
电话:0755-82727366
info@mddchenda.com